| 型式 | BZ0649 |
| 用途 | スタンド用金具 |
| 材質 | SS400 |
| 表面処理 | メッキ付 |
| 型式 | BZ0649U
|
| 用途 | スタンド用金具
|
| 材質 | SUS304 |
| 型式 | BZ0625 |
| 用途 | 固定用 アンカーボルト止め板
|
| 材質 | SS400 |
| 表面処理 | メッキ付
|
※ICスタンド下(BZ0623)専用金具
| 型式 | BZ0808
|
| 用途 | フレームジョイント用
|
| 材質 | SS400
|
| 表面処理 | メッキ付
|
| 型式 | BZ0807 |
| 用途 | フレームジョイント用
|
| 材質 | SS400 |
| 表面処理 | メッキ付
|
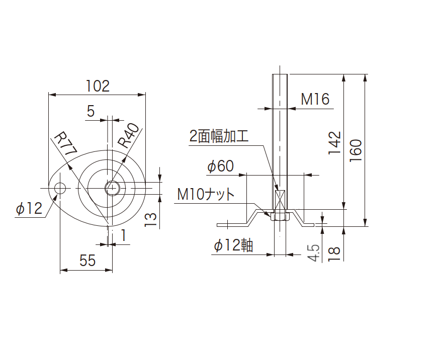
| 型式 | BZ0623
|
| 用途 | スタンド下調整ボルト
|
| 材質 | SS400 |
| 表面処理 | メッキ付
|
| 型式 | BZ0633 |
| 用途 | スタンド下調整ボルト(アンカー孔付)
|
| 材質 | SS400 |
| 表面処理 | メッキ付
|
| 型式 | BZ0628 |
| 用途 | スタンド下調整ボルト
|
| 材質 | SS400
|
| 表面処理 | メッキ付
|
| 型式 | BZ0627U |
| 用途 | スタンド下調整ボルト(アンカー孔付)
|
| 材質 | SUS304
|
| 型式 | BZ0628U |
| 用途 | スタンド下調整ボルト
|
| 材質 | SUS304
|
| 型式 | BZ1805 A型
|
| 用途 | ガイドパイブ はさみ込み金具
|
| 材質 | SS400
|
| 表面処理 | メッキ付
|
2枚でボルト&ナット付
| 型式 | BZ1805 B型
|
| 用途 | ガイドパイブ はさみ込み金具
|
| 材質 | SS400
|
| 表面処理 | メッキ付
|
2枚でボルト&ナット付
| 型式 | BZ1806 |
| 用途 | ガイドパイブ φ19.1 x 1.2t用継ぎ材
|
| 材質 | ポリプロピレン(白)
|
| 型式 | BZ1807
|
| 用途 | φ19.1 x 1.2t エンドフタ
|
| 材質 | ポリプロピレン(白)
|
| 型式 | BZ9014
|
| 用途 | コンベヤフレーム 取付カバー止めクリップ
|
| 材質 | PUP3(バネ 鋼)
|
| 表面処理 | メッキ付
|